25V 3A kokeilupoweri

 


Käyttötarkoitus

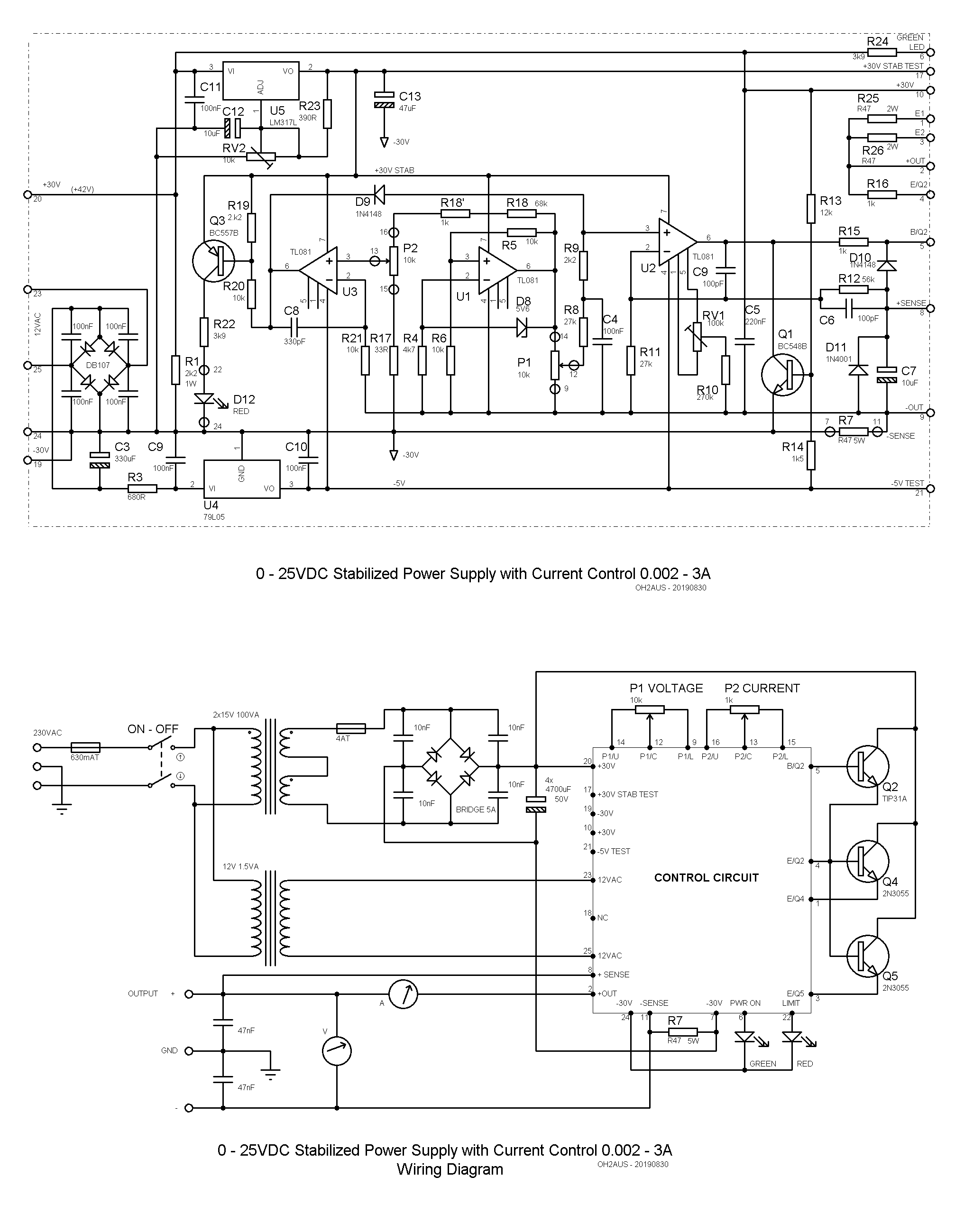
Kunnon virtalähde kuuluu jokaisen "kolvikallen" perusvarustukseen. Tämä peruspoweri antaa 3 ampeeria maksimijännitteen ollessa n.28 volttia. Maksimivirralla jännite jää hieman alhaisemmaksi. Tällaisessa laitteessa tärkeä ominaisuus on kunnollinen virranrajoitus, sillä estetään monet "savumerkit". Maksimivirta on portaattomasti aseteltavissa muutamasta milliampeerista aina 3 ampeerin asti. Kun asetettu virta-arvo on saavutettu, siirtyy laite jännitemoodista virtamoodiin, tästä osoituksena syttyy punainen LED-indikaattori. Tällainen ominaisuus on käyttökelpoinen myös akkujen latauksessa.


Rakenne

Kotelo palveli alun perin vastaavassa, paljon yksinkertaisemmassa powerissa, jonka rakensin vuonna 1972. En koskaan ollut siihen tyytyväinen, siksi se sitten hautautui muun hylätyn bonkin joukkoon vuosikymmeniksi. Muutama vuosi sitten silmääni sattui rakennusohje powerille, joka vaikutti potentiaaliselta projektilta. Muistin silloin tuon raakin, jonka kotelonkin olin n.50 vuotta aiemmin omin kätösin rakentanut. Alkuperäisestä kokoonpanosta säästin taulumittarit, tasurisillan, printtiliittimen, naparuuvit, venttiilitransistorit jäähdytysripoineen sekä sulakepesät. Muu menikin sitten uusiksi, järeämpi verkkomuuntaja sekä pieni apujännitemuuntaja korvasivat aiemman 24V 75VA muuntajan, myös suotoelkot menivät uusiksi. Sekä tietysti koko kontrollielektroniikka. Virtasensorin sarjavastus 0,47 ohmia on kiinnitetty kotelon takaosaan. 12 voltin apujännitemuuntaja on istutettu vero-levyn pätkälle ja krympattu paksun kutistemuoviputken sisään.

Koska TL081-oparien maksimijännite on +18/-18V, rakensin niitä varten oman stabilointikytkennän LM317L-regulaattorilla. Sen lähtö on säädetty 31 voltiksi, tuohon lisättynä -5 voltin apujännite saadaan yhteensä juuri 36V. Koska jännitteen kahdennuskytkennällä tehty negatiivinen apujännite on monestakin syystä huonompi ratkaisu kuin vastaava erillinen, lisäsin tähän 12V 1,5VA piirilevymuuntajan ja sen perään tasasuuntausillan sekä 79L05-regulaattorin. Aikaisemmassa kötöstelmässä, joka oli niin ikään vero-levylle tehty, oli 25-napainen printtiliitin. Koska se oli edelleen käyttökelpoinen, siirsin sen tähän uuteen versioon. On huomattavasti helpompaa sorkkia kytkentälevyä, joka on kaksi ruuvia avaamalla irrotettavissa, kuin johtohivakan päässä roikkuvaa. Naparuuvien lisäksi asensin etulevyyn myös HELLA-liittimen. Takaseinän taskussa on maadoituskappale, sillä voidaan tarvittaessa kytkeä joko miinus- tai plusnapa laitteen runkoon.


Toiminta

Verkkomuuntajasta tuleva 30V vaihtojännite tasasuunnataan diodisillassa ja suodatetaan 4x4700µF elkoryhmässä. Tämä jännite, joka on tyhjäkäynnillä luokkaa 42 volttia, viedään kahden rinnan kytketyn 2N3055:n kollektoreille, emitterien tasausvastukset sijaitsevat suhteellisen pienestä virrasta johtuen kontrollerilevyllä. Etulevyn vihreä LED palaa kun virta on kytketty, punainen syttyy kun P2:lla asetettu virta-arvo on saavutettu. Lähtöjännite säädetään P1:llä. Trimmeripotikalla RV1 säädetään lähtöjännite nollaksi P1:n minimiasennossa. Trimmerillä RV2 asetetaan LM317L:n lähtöjännite arvoon 31 volttia.

U1 on jännitereferenssi, U2 vertailee lähtöjännitettä P1:llä asetettuun jännitetasoon ja ohjaa TIP31A:ta, joka emitteriseuraajana edelleen kahta 2N3055:ttä. Komparaattori U3 on virtarajoitin, se nuuskii R7:n jännitehäviötä. Kun asetettu virta-arvo saavutetaan, ohjaa sen lähtö diodin D9 kautta oparia U2 estäen jännitteen nousun. U3:n lähtöön on kytketty myös Q3, joka sytyttää indikaattori-LEDin D12. R17 määrittelee pienimmän virtarajoitustason, sitä ei kannata asettaa kovin pieneksi stabiilisuuden säilyttämiseksi. Transistori Q1 ajaa jännitelähdön nollaan kun verkkovirta katkaistaan. Tällöin lähtöön ei jää mitään epämääräisiä jännitteitä määrittelemättömäksi ajaksi.

Mikäli kuormitus on pitkäkestoista, kannattaa panostaa suurempaan jäähdytysripaan, varsinkin jos tästä ottaa pienellä jännitteellä suurta virtaa. Omassa käytössäni tuo vaatimattomampikin ripa on hyvin riittänyt. Yksi 2N3055 olisi myös riittänyt, mutta ajattelin varmaan joskus kahden käyttämisen olevan lämmönjakautumiselle edullisempi ratkaisu. Plussaa sille, että poweri ei ole pahemmin herkkä RF:lle.

Alla olevat kuvat suurenevat klikkaamalla.
 




Poweri edestä

 
 

Poweri takaa

 

Piirilevy ja osasijoittelu


Piirilevyn foliopuoli
 
 

Kytkentäkaavio ja langoitus



Original idea (China Export?)
 

Sisäkuva
 

 

Etusivulle